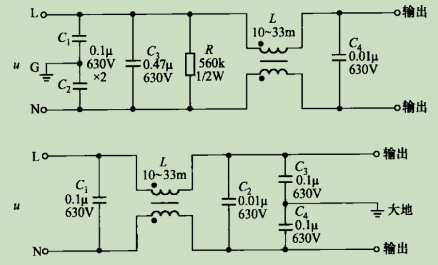
这两个电路都是开关电源的EMI(电磁干扰)滤波器电路,下面先拆解各器件作用,再对比一下滤波效果:

1.电容 、(共模电容)
并联在火线(L)、零线(N)与地线(G)之间,用于滤除共模干扰(L、N对G的同步干扰);630V耐压是为了适配电网电压(避免击穿)。
2.电容 (差模电容)
并联在L与N之间,用于滤除差模干扰(L与N之间的电压差干扰)。

3.电阻
是泄放电阻,作用是在电源断电后,将电容储存的电荷释放(避免触电风险),1/2W是其功率规格。
4.电感 (共模电感)
采用双线绕制、同名端反向的结构,对共模干扰呈现高阻抗(阻碍干扰传递),但对差模信号(正常电源信号)阻抗很低(不影响供电)。
5.电容 (输出端滤波电容)
并联在输出端,进一步滤除输出侧的残余干扰,稳定输出电压。
B站 电子技术视频课程,70多个视频(后续会持续更新到100个),每个视频平均10分钟 ,内容涵盖二极管、三极管、MOS管、频率响应、电路反馈、集成运放、功放电路、整流电路、开关电源等上百个电子技术知识点!
下方电路的滤波效果更好,原因:
1.共模干扰抑制更强:
下方电路在输出侧增加了共模电容 、(并联在输出端与大地之间),能进一步滤除输出侧的共模干扰;而上方电路仅在输入端有共模电容,输出侧只有差模电容 。
2.干扰路径覆盖更全面:
下方电路的共模电容同时覆盖“输入→地”和“输出→地”,能更彻底地将共模干扰导入大地;上方电路的共模电容仅在输入端,输出侧的共模干扰抑制能力较弱。
器件类型 | 代表元件(以上下电路为例) | 核心功能 | 适配干扰类型 | 补充说明 |
共模电容 | 、(上方);、(下方) | 将L/N对大地的干扰导入地线 | 共模干扰 | 需选高耐压(如630V)适配电网 |
差模电容 | (上方);(下方) | 滤除L与N之间的电压差干扰 | 差模干扰 | 容量通常小于共模电容 |
共模电感 | (上下电路均有) | 对共模信号呈现高阻抗,阻碍干扰传递 | 共模干扰 | 双线反向绕制,不影响差模信号 |
泄放电阻 | (仅上方电路有) | 断电后释放电容残留电荷 | —(安全防护) | 功率需匹配电容容量 |